3. Модель с дизельным двигателем объемом 2,1 л или 3,0 л (Mercedes Sprinter)
Топливный фильтр
Примечание:
Операции по снятию и установке топливного фильтра модели с дизельным двигателем объемом 2,1 л (Mercedes Sprinter) аналогичны операциям по снятию и установке топливного фильтра модели с дизельным двигателем объемом 3,0 л (Mercedes Sprinter) с учетом некоторых конструктивных особенностей двигателей.
Снятие топливного фильтра
Примечание:
При работе с топливной системой соблюдать меры предосторожности и исключительную чистоту. Примечание:
Примечание:
Не перекручивать, не сгибать и не срезать хомуты топливопроводов. Снятие хомутов производить при помощи специального инструмента 9539.
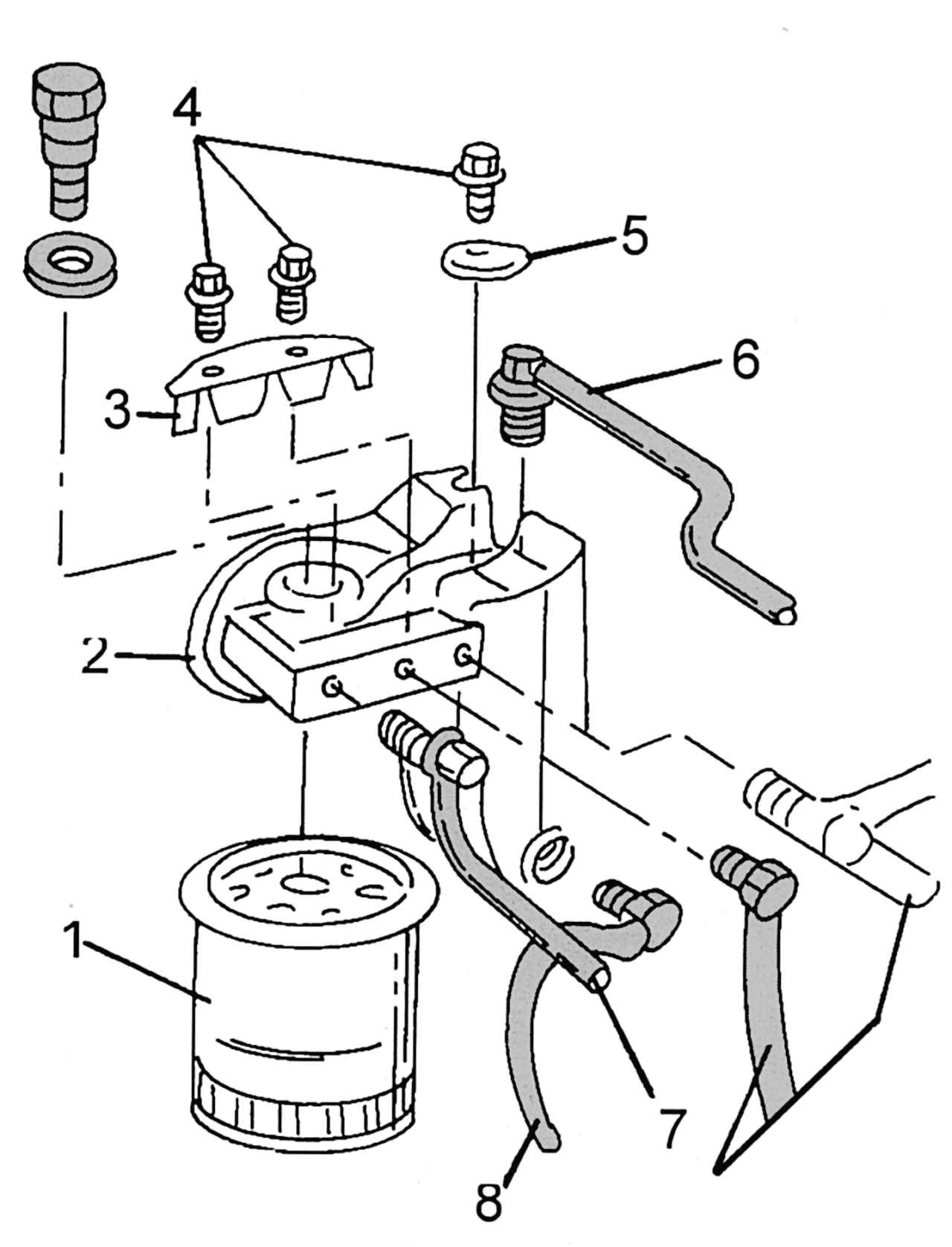
1. Отсоединить отрицательную клемму аккумуляторной батареи.
2. Отсоединить разъем (6) электропроводки датчика воды в топливе.
3. Ослабить хомуты (2) и (4) впускного и выпускного топливопроводов при помощи специального инструмента 9539 и снять топливопроводы с топливного фильтра (1).
4. Вывернуть болт (8) крепления топливного фильтра и снять топливный фильтр (1).
5. Отсоединить датчик (9) воды в топливе от топливного фильтра.
Установка топливного фильтра
1. Залить в новый топливный фильтр примерно 0,4 л дизельного топлива.
2. Установить датчик (9) воды в топливе на топливный фильтр и затянуть крепежный болт рекомендуемым моментом затяжки 1,5 Н∙м.
Проблемы при оплате банковскими картами
Иногда при оплате банковскими картами Visa / MasterCard могут возникать трудности. Самые распространенные из них:
- На карте стоит ограничение на оплату покупок в интернет
- Пластиковая карта не предназначена для совершения платежей в интернет.
- Пластиковая карта не активирована для совершения платежей в интернет.
- Недостаточно средств на пластиковой карте.
Для того что бы решить эти проблемы необходимо позвонить или написать в техническую поддержку банка в котором Вы обслуживаетесь. Специалисты банка помогут их решить и совершить оплату.
Вот, в принципе, и все. Весь процесс оплаты книги в формате PDF по ремонту автомобиля на нашем сайте занимает 1-2 минуты.
Если у Вас остались какие-либо вопросы, вы можете их задать, воспользовавшись формой обратной связи, или написать нам письмо на info@krutilvertel.com.
Топливный фильтр в дизельном двигателе
1. На данном двигателе установлен корпусной топливный фильтр, он находится в моторном отсеке автомобиля, справа от двигателя (если смотреть против движения), под корпусом воздушного фильтра.
2. Открываем капот.
3. Ключом с головкой на 8 отворачиваем два болта крепления кронштейна топливного фильтра.
Примечание: Перед отсоединением топливопроводов промаркируйте их. Это предотвратит последующее неправильное подсоединение топливопроводов к топливному фильтру.
4. Ключом с головкой на 7 ослабляем хомут крепления топливопровода.
5. Сдвигаем хомут…
… и отсоединяем топливопровод от топливного фильтра (при необходимости поддеваем топливопровод отверткой).
Примечание: — Во время отсоединения топливопровода будет вытекать топливо, будьте осторожны
— Соблюдайте осторожность, чтобы в топливопровод не попали частички пыли или грязи. — Чтобы из топливопровода не вытекало слишком много топлива, заглушаем его подходящей пробкой
6. Таким же образом отсоединяем второй топливопровод от топливного фильтра.
7. Извлекаем старый топливный фильтр из кронштейна. Удаляем фильтр в отходы, предварительно слив из него топливо.
Снятие и установка топливного фильтра Mercedes-Benz Sprinter
|
|
Рис. 166. Расположение топливного фильтра |
|
|
Рис. 167. Снятие и установка топливного фильтра: 1 — патрон фильтра; 2 — корпус фильтра; 3 — крепление топливных шлангов; 4 — болты; 5 — крепление; 6, 7 — топливные шланги; 8 — шланг контура подачи топлива |
|
|
Рис. 168. Топливный фильтр и присоединительные трубопроводы на двигателе объемом 2,9 л: 1 — уплотнительное кольцо; 2 — полый болт; 3 — штуцер крепления топливных шлангов к фильтру; 4 — болт; 5 — соединительный штуцер; 6 — соединительный шланг форсунок; 7 — уплотнительное кольцо; 8 — штуцер подключения обратного топливопровода; 9 — резиновый шланг обратного топливопровода; 10 — топливопровод обратного контура; 11 — зажим крепления топливопровода к корпусу термостата; 12 — шланг подачи топлива; 13 — хомут крепления топливопровода к корпусу термостата; 14 — хомут крепления топливопровода к корпусу термостата; 15 — хомут крепления шланга к теплообменнику; 16 — хомут; 17 — переходник; 18 — хомут крепления переходника к головке блока; 19 — топливопровод; 20 — шланг; 21 — топливный шланг от фильтра к ТНВД; 22 — уплотнительное кольцо; 23 — корпус фильтра; 24 — топливный фильтр с прокладками; 25 — уплотнительное кольцо; 26 — резьбовое соединение к ТНВД; 27, 28 — топливопроводы обратного контура; 29 — уплотнительное кольцо; 30 — болт крепления теплообменника; 31 — уплотнительное кольцо; 32 — топливопровод; 33 — теплообменник для подогрева топлива; 34 — топливопровод |
ТНВД и форсунки очень чувствительны к загрязнениям дизельного топлива. Для его очистки служит топливный фильтр. Каждые 60 000 км его фильтрующий элемент необходимо заменять. На рис. 166 показано положение топливного фильтра в подкапотном пространстве. При его замене нужно руководствоваться рис. 167. На рис. 168 показаны детали топливного фильтра на двигателе 2,9 л и его установка. Замену фильтрующего элемента топливного фильтра необходимо проводить следующим образом:
— снять корпус воздушного фильтра (на дизельном двигателе с турбонаддувом);
— отвернуть снизу патрон 1 (см. рис. 167) фильтра. При этом следует подставить емкость под вытекающее топливо. Если заменяется только фильтрующий элемент, ввернуть новый патрон;
— для снятия корпуса фильтра вывернуть болты 4 и снять крепежные элементы 3 и 5;
— отсоединить топливные шланги 6 и 7 от корпуса 2 фильтра. Также отвернуть шланг 8 подачи топлива;
— отвернуть болты крепления корпуса фильтра к головке блока цилиндров и снять его.
Установка проводится в обратной последовательности. Корпус привернуть к головке блока моментом 23 Н·м, крепления топливных шлангов к фильтру — моментом 9 Н·м.
Видео про «Снятие и установка топливного фильтра» для Mercedes-Benz Sprinter
Как заменить топливный фильтр мерседес спринтер mercedes sprinter 2005 2.2 л видео
MERCEDES VITO VIANA SPRINTER. ЗАМЕНА ТОПЛИВНОГО ФИЛЬТРА( акер механик)
https://youtube.com/watch?v=TilXZPsQdRk
MB Vito repair Замена топливного фильтра
Замена топливного фильтра
Замена детали не потребует серьезных навыков в ремонте автомобилей или каких-либо инструментов. Смотровая яма или эстакада тоже не нужна: для произведения всех операций достаточно просто открыть капот. Это – очень удобно, далеко не все модели автомобилей могут похвастаться такой продуманностью, ведь иногда для того простого действия необходимо даже разрезать обшивку и утеплитель машины.
В процессе замены выполняем следующие действия:
- откручиваем хомутики на топливных трубках, их не нужно полностью снимать, достаточно просто сдвинуть в сторону;
- снимаем трубки с фильтра;
- откручиваем болт на кронштейне, он фиксирует сам фильтр;
- снимаем деталь, следим за тем, чтобы из коробки фильтра не вылилась солярка. Лишнюю жидкость нужно слить в отдельную, заранее подготовленную емкость;
- берем новый очистительный элемент и заливаем в него солярку. Это простой действие предотвратить завоздушивание системы;
- подключаем трубки. Следим за тем, чтобы не перепутать трубки подачи и отвода топлива, в этом случае горючее не будет должным образом очищаться;
- одеваем и затягиваем хомутики. Следим за тем, чтобы металлические кольца «сидели» на резиновых шлангах, но при этом не врезались в материал;
- болт на кронштейне топливного фильтра тоже закручиваем как можно плотнее;
- после этого двигатель можно заводить, замена детали завершена.

После того как агрегат снова начнет работать, смотрим, чтобы места соединений не имели течи. Если шланги будут пропускать хотя бы немного горючего, возникает возможность появления искры и воспламенения.
Важно! Перед тем как начинать работы по замене детали, следует отключить предохранитель топливного фильтра. По завершении всех работ предохранитель снова нужно подключить
Также необходимо сбросить давление в топливной системе. Для этого достаточно открыть крышку бака с горючим и дать автомобилю некоторое время поработать.
После замены фильтра двигатель Мерседес Спринтер будет работать ровно, машина начнет заводиться значительно легче, особенно – в холодное время года.
3. Двигатель
УДАЛЕНИЕ ВОДЫ ИЗ ТОПЛИВНОГО ФИЛЬТРА
Если у автомобиля с дизельным двигателем загорается контрольная лампа , то вы должны удалить воду из топливного фильтра.
Примечание:
Удаление воды из топливного фильтра с водоотделителем производите сразу после загорания контрольной лампы . В противном случае может быть поврежден двигатель.
Примечание:
При обращении с дизельным топливом и смесями с дизельным топливом, а также при их хранении и удалении соблюдайте действующее законодательство. Поэтому для удаления воды из топливного фильтра с водоотделителем обращайтесь в специализированную мастерскую, имеющую квалифицированный персонал и необходимый инструмент для проведения требуемых работ.
Топливный фильтр с водоотделителем находится в моторном отсеке.
Четырехцилиндровый двигатель
1. Шланг для слива воды
2. Винт для слива воды
3. Топливный фильтр с водоотделителем
Шестицилиндровый двигатель
1. Шланг для слива воды
2. Винт для слива воды
Задействуйте стояночный тормоз и у автомобилей с автоматической коробкой передач переведите рычаг управления АКП в положение «P».
Выключите двигатель и откройте капот.
Скачивание книги
После успешного прохождения платежа (любым способом) и возврата в магазин KrutilVertel с сайта платежной системы Вы попадаете на страницу успешной оплаты:
Купленная Вами книга будет находиться в Вашем личном кабинете, откуда ее всегда можно будет скачать.
Обратите внимание, что после совершения оплаты, Вам необходимо вернуться обратно с сайта платежной системы на сайт KrutilVertel. В случае, если по каким либо причинам Вы не вернулись обратно на сайт и закрыли вкладку платежной системы с сообщением про успешное прохождение платежа, сообщите нам об этом — мы вышлем Вам письмо в котором будет указан доступ для скачивания книги
В случае, если по каким либо причинам Вы не вернулись обратно на сайт и закрыли вкладку платежной системы с сообщением про успешное прохождение платежа, сообщите нам об этом — мы вышлем Вам письмо в котором будет указан доступ для скачивания книги.
Какие функции выполняет топливный фильтр
Фильтрующие элементы на дизельных автомобилях имеют свою специфику. Они выполняют важные функции, позволяющие полноценно эксплуатировать двигатель.
- очистка топлива от всевозможных загрязнений и осадка, скапливающего на дне топливного бака;
- фильтрация горючего от воды. Она опадает в систему через нижнюю спускную пробку;
- водный конденсат – еще одна проблема, свойственная для дизельных топливных систем. Солярка обладает свойством впитывать влагу, из-за чего горючее утрачивает способности к воспламенению. Правильная и своевременная установка фильтра устраняет эту проблему.
Проблемы при оплате банковскими картами
Иногда при оплате банковскими картами Visa / MasterCard могут возникать трудности. Самые распространенные из них:
- На карте стоит ограничение на оплату покупок в интернет
- Пластиковая карта не предназначена для совершения платежей в интернет.
- Пластиковая карта не активирована для совершения платежей в интернет.
- Недостаточно средств на пластиковой карте.
Для того что бы решить эти проблемы необходимо позвонить или написать в техническую поддержку банка в котором Вы обслуживаетесь. Специалисты банка помогут их решить и совершить оплату.
Вот, в принципе, и все. Весь процесс оплаты книги в формате PDF по ремонту автомобиля на нашем сайте занимает 1-2 минуты.
Если у Вас остались какие-либо вопросы, вы можете их задать, воспользовавшись формой обратной связи, или написать нам письмо на info@krutilvertel.com.
Стоимость замены топливного фильтра на Мерседес Спринтер
Качественно и недорого заменить топливный фильтр Мерседес Спринтер можно в специализированном автосервисе. Но стоимость будет невысокой лишь в том случае, если автовладелец вовремя обратился за квалифицированной технической помощью к специалистам. Иначе придется потратиться на дополнительные услуги, необходимые для устранения сопутствующих неполадок топливной системы или двигателя.
Если игнорировать проведение такой замены, то появляется большой риск поломки важных деталей и узлов. Особенно подвержены загрязнению форсунки, из-за чего ухудшается работа двигателя, а затем уже может потребоваться более дорогостоящий ремонт. Автовладельцу нужно всегда учитывать этот фактор и внимательно следить за техническим состоянием своего транспортного средства.
К чему приводит несвоевременная замена:
- Увеличивается износ рабочих элементов двигателя;
- Уменьшается срок службы свечей зажигания;
- Интенсивнее изнашивается выхлопная система;
- Увеличивается количество вредных выбросов;
- Снижается мощность мотора и повышается расход топлива.




















































