13.10.2 Снятие и установка
Снятие и установка
Примечание:
— Установка проводится в порядке, обратном снятию.
— Моменты затяжки указаны в тексте.
— После установки залейте рабочую жидкость в коробку передач.

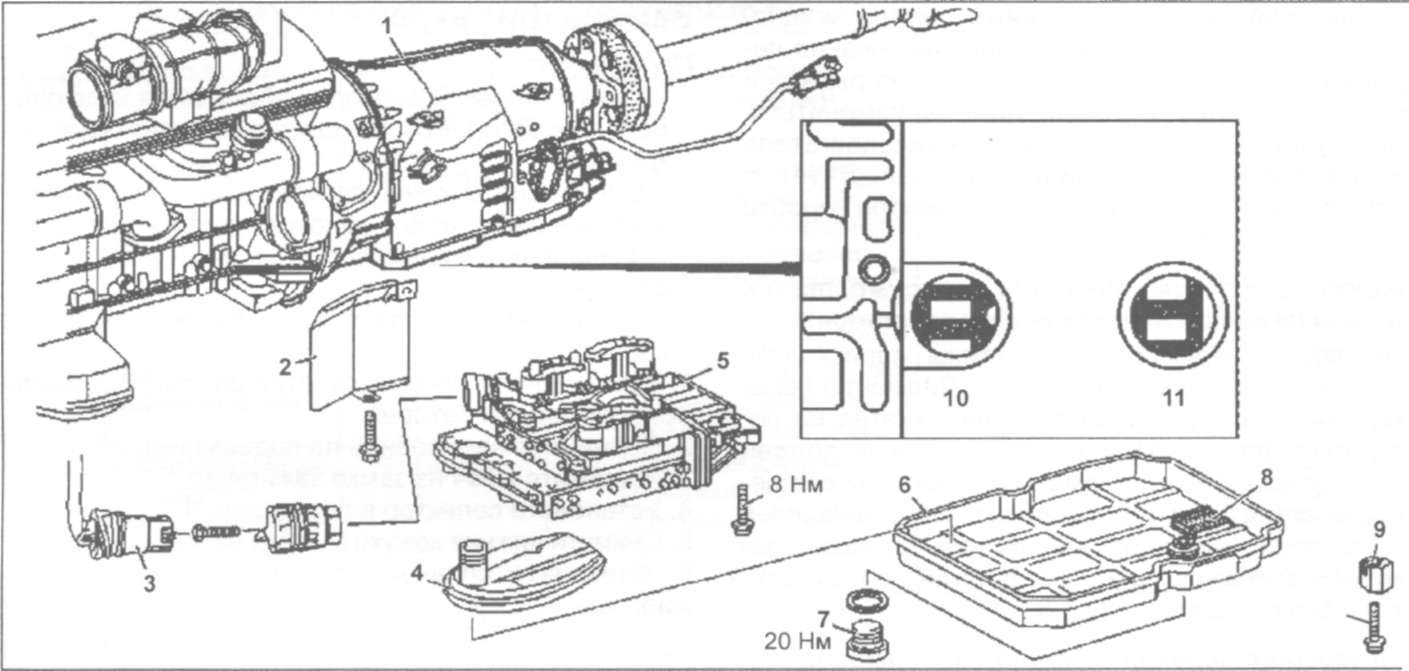
Замена фильтра. 1 — картер коробки
передач, 2 — тепловой экран, 3 — разъем электромагнитных клапанов, 4 —
фильтр, 5 — блок клапанов, 6 — поддон, 7 — сливная пробка, 8 — магнит,
9 — втулка, 10 — посадочное отверстие датчика частоты вращения №3, 11 —
посадочное отверстие датчика частоты вращения №2.

Коробка передач в сборе. 1 — картер
гидротрансформатора, 2 — разъем электромагнитных клапан коробки
передач, 3 — заливная трубка, 4 — трубка, 5 — кожух защиты, 6 — болт
крепления, 7 — трос механизма блокировки селектора, 8 — адаптер
раздаточной коробки, 9 — левый кронштейн выхлопной трубы, 10 — правый
кронштейн выхлопной трубы, 11 — кронштейн, 12 — болт крепления
кронштейн выхлопной трубы, 13 — штуцерный болт, 14 — сливная пробка
коробки передач, 15 — сливная пробка гидротрансформатора, 16 — болт
крепления гидротрансформатора к пластине привода, 17 — крышка поддона,
18 — болт крепления коробки передач, 19 — тяга управления коробкой
передач, 20 — фиксатор, 21 — болт крепления заливной трубки, 22 —
кольцевое уплотнение.
1. Установите селектор в положение «N».
2. Отсоедините провод от отрицательной клеммы аккумуляторной батареи.
3. Снимите раздаточную коробку.
4. Отсоедините трубку измерительного щупа.
а) Отверните болты крепления трубки.
б) Извлеките трубку из отверстия в картере коробки передач.
Примечание: при установке используйте новое кольцевое уплотнение трубки.
5. Снимите кожух защиты и отсоедините разъем электромагнитных клапанов.
6. Снимите фиксаторы и отсоедините тягу управления коробкой передач.
Примечание: после установки отрегулируйте тягу управления коробкой передач.
7. Отверните сливную пробку и слейте рабочую жидкость из коробки передач.
Примечание: устанавливайте новое кольцевое уплотнение пробки.
Момент затяжки пробки…………………………….20 Нм
8. Отверните сливную пробку и слейте рабочую жидкость из гидротрансформатора.
Примечание:
— При необходимости промойте трубки и охладитель рабочей жидкости АКПП.
— Устанавливайте новое кольцевое уплотнение пробки.
Момент затяжки пробки…………………………….16 Нм
9. Отсоедините трос механизма блокировки селектора от коробки передач.
Примечание: после установки отрегулируйте трос.
10. Снимите кислородный датчик.
11. Отсоедините трубки охладителя рабочей жидкости от коробки передач.
12. Снимите крышку поддона.
13. Отсоедините гидротрансформатор от пластины привода.
а) Отверните болты крепления и снимите крышку гидротрансформатора.
б) Вращая гидротрансформатор, отверните болты крепления.
14. Отверните болты крепления
карданного вала к фланцам коробки передач и раздаточной коробки (см.
главу «Карданный вал»). Извлеките болты крепления.
15. Отверните болты крепления коробки передач к двигателю.
16. Немного опустите коробку передач вниз и отсоедините карданный вал. Снимите коробку передач.
Примечание:
— Не выроните гидротрансформатор при снятии коробки передач.
— При установке коробки передач установите провод массы.
17. Снимите гидротрансформатор.
а) Установите на гидротрансформатор съемники.
б) Извлеките гидротрансформатор из
картера
Внимание: если рабочая жидкость АКПП пахнет горелым или
содержит продукты износа накладок дисков, промойте гидротрансформатор,
шланги и охладитель рабочей жидкости АКПП. Если в рабочей жидкости есть
металлическая стружка, то необходимо заменить гидротрансформатор, т.к.
невозможно полностью удалить стружку при промывке
Примечание: при установке измерьте выступание гидротрансформатора из картера гидротрансформатора.
Номинальное выступание…………………………..- 2 мм
Что нужно знать о ремонте W203: коротко о главном
Коробка-автомат Mercedes 722.6 считается одной из наиболее надежных в серии концерна, однако довольно прихотлива к качеству технического обслуживания. Во многом из-за тонкого фильтра тонкой очистки, который быстро забивается и приводит к попаданию фрикционной пыли и абразива в гидравлические каналы АКПП.
При длительном отсутствии ТО, особенно на возрастных автомобилях, возможно появление следующего ряда неисправностей:
-
Блокировка клапанов соленоидов – металлическая фрикционная пыль при попадании внутрь гидроблока отлаживаются на внешней стороне клапана соленоида, что со временем приводит к его блокировке или стопорению.
-
Засорение каналов гидроблока – помимо блокировки соленоидов, отложения из загрязненного масла также накапливаются в полостях гидроблока, что дополнительно увеличивает нагрузку на АКПП.
-
Выход из строя маслонасоса – нестабильная работа гидроблока или критически засоренная трансмиссионная жидкость приводит к проблемам с давлением в полостях АКПП, что увеличивает нагрузку на маслонасос и сокращает его ресурс эксплуатации.
-
Неисправность контрольных датчиков или ЭБУ АКПП – наличие отложений в гидравлических магистралях АКПП приводит к снижению эффективности системы охлаждения трансмиссии. Нарушение температурного режима при эксплуатации АКПП приводит к перегреву компонентов трансмиссии, в результате чего могут выйти из строя контрольные датчики коробки или электронный блок управления.
Важно! Для стабильной работы важно каждые 45-50 000 км пробега проводить полную замену трансмиссионной жидкости и фильтра АКПП. Помните, несмотря на заверения официальных дилеров, масло в коробке не рассчитано на весь ресурс эксплуатации и уже к отметке в 100 000 км пробега без ТО способно довести трансмиссию до необходимости в проведении полного капремонта.. Отдельным моментом считается ремонт селектора АКПП Mercedes W203, возникающий в результате износа механизма выбора режимов коробки-автомат
Необходимость ремонта селектора АКПП W203 чаще всего возникает на возрастных автомобилях с пробегом свыше 250-300 000 км.
Отдельным моментом считается ремонт селектора АКПП Mercedes W203, возникающий в результате износа механизма выбора режимов коробки-автомат. Необходимость ремонта селектора АКПП W203 чаще всего возникает на возрастных автомобилях с пробегом свыше 250-300 000 км.


















































